Q41F二片式美标法兰浮动式球阀应用案例
设计生产采用标准ISO、API、GB、BS等标准设计生产,其质量性都经过严格处理,经过高压泵检测;表面处理均经过进口超声波清洗机处理,表面光泽度明亮。美标浮动球阀启闭件(球体)由阀杆带动,并绕阀杆的轴线作旋转运动的阀门。主要用于截断或接通管路中的介质,亦可用于流体的调节与控制,浮动球阀本身结构紧凑,密封可靠,结构简单,维修方便,密封面与球面常在闭合状态,不易被介质冲蚀,易于操作和维修,适用于水、溶剂、酸和天然气等一般工作介质,而且还适用于工作条件恶劣的介质,如氧气、过氧化氢、甲烷和乙烯等,在各行业得到广泛的应用。

Q41F二片式美标法兰浮动式球阀应用案例主要参数:
阀门型号:Q41,Q11,Q61,Q71,Q45,Q47,Q48等
主体材质: WCB,WCC,A105,304,316,LCB,LCC,LF2,CF8,CF8M,CF3,CF3M
尺寸范围: DN15-DN250;1/2"-10"
压力范围: 1.0~16.0Mpa,150~1500lb
适用温度:-29℃≤t≤570 ℃(跟阀体材质及密封面材质不同所承温有差异)
可选驱动方式:手动,气动,电动;

Q41F二片式美标法兰浮动式球阀应用案例设计标准:
设计和制造标准按照: ASME B16.34,API6D等;
结构长度按照: ASME B16.10;
连接端尺寸按照:ASME B16.5,ASME B16.25;
检验和测试按照: API598;
防火设计按照:API607;
Q41F二片式美标法兰浮动式球阀应用案例设计特点:
通径:NPS 1/2" ~ 12"
压力:Class 150LB - 2500LB
连接方式:法兰(RF,FF,RT),对焊(BW),承插焊(SW)

Q41F二片式美标法兰浮动式球阀应用案例设计规范:
标准:API 6D
压力等级:ASME B16.34
端到端尺寸(法兰和对焊):ASME B16.10
法兰:ASME B16.5
对焊:ASME B16.25
所有阀门的设计参照并符合:ASME B16.34,ASME 规范要求或者客户提出的可行的要求
执行器:
齿轮,涡轮,电动,气动,液动,气液联动,手柄,手轮,链轮等
阀体材料:
A216-WCB (Carbon Steel), A217-WC6 (1-1/4Cr-1/2Mo), A217-WC9 (2-1⁄4Cr–1Mo), A217-C5 (5Cr–1⁄2Mo), A217-C12 (9Cr–1Mo), A352-LCB (Carbon Steel), A352-LCC (Carbon Steel), A351-CF8M (18Cr–9Ni–2Mo), A351-CF3M (18Cr–9Ni–2Mo)
质量保证(QA):
从设计到加工制造的每一步,焊接、组装、测试、包装等流程均符合质量规范要求(ASME规范第III节,规范)
质量控制(QC):
质量控制包含从原材料购买,到加工、检验、组装、压力测试、清洗、喷涂、包装等所有制造环节中

Q41F二片式美标法兰浮动式球阀应用案例压力测试:
每个阀门出厂前均通过相应的测试,符合规范标准 API 6D, API 698 等
|
序号 |
品 名 |
型 号 及 规 格 |
单位 |
数量 |
单 价 |
金 额 |
其它 |
|
1 |
法兰式球阀 |
法兰式球阀Q41F-150LB DN100 150LB |
套 |
16 |
阀体及球阀SUS316L不锈钢 |
Q41F二片式美标法兰浮动式球阀应用案例技术规范
|
设计依据 |
美标系列 |
|
|
设计标准 |
AP16D |
ANSI B16.34 |
|
法兰连接结构长度 |
AP16D |
ANSI B16.10 |
|
结构长度(焊接) |
AP16D |
ANSI B16.10 |
|
连接法兰 |
ANSI B16.5、B16.47 |
|
|
对焊端 |
ANSI B16.25 |
|
|
试验和检验 |
AP16D |
AP1598 |
二片式美标法兰球阀试验压力
|
试验压力(MPa) |
||
|
磅级(Class) |
壳体试验 |
密封试验 |
|
150 |
3.0 |
2.2 |
|
300 |
7.6 |
5.6 |
Q41F二片式美标法兰浮动式球阀应用案例主要零件材料

|
名称 |
WCB类 |
CF8类 |
CF3类 |
CF8M类 |
CF3M类 |
|
|
阀体左体 |
A216-WCB |
A315-CF8 |
A35-CF3 |
A351-CF8M |
A351-CF3M |
|
|
球体 |
B2-B8 |
A105-1025 |
A182-F304L |
A182-F304L |
A132-F316 |
A182-F316L |
|
B8以上 |
A216-WCB |
A351-CF8M |
A351-CF3 |
A351-CF8M |
A351-CF3M |
|
|
阀杆 |
A182-F6a |
A182-F304 |
A182-F304L |
A182-F336 |
A182-F316L |
|
|
阀座 |
PTFE/增强PTFE/NYLIN PTFE/Reinforced PTFE/Nyion |
|||||
|
阀座支承圈 |
A105-1025 |
A182-F304 |
A182-F304L |
A182-F316 |
A182-F316L |
|
|
弹簧 |
3yc-7/17-49H |
|||||
|
O形圈 |
NBR |
氟橡胶 |
||||
|
螺柱 |
A193-B7 |
A193-B8 |
||||
|
螺母 |
A194-2H |
A194-8 |
||||
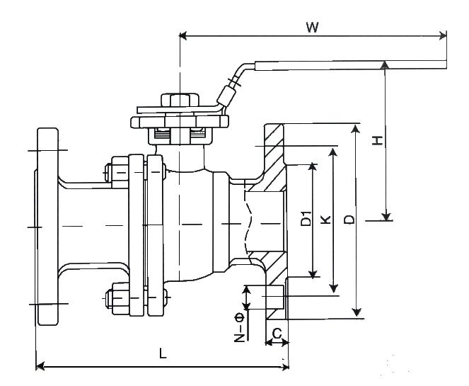
Q41F二片式美标法兰浮动式球阀应用案例主要外形及连接尺寸表美标球阀

|
公称 |
公称 |
d |
L |
D |
D1 |
D2 |
b |
f |
Z-Φd |
H |
W |
|
Class |
1/2" |
13 |
108 |
89 |
60.5 |
35 |
11.5 |
1.6 |
4-16 |
79 |
135 |
|
3/4" |
19 |
117 |
98 |
70 |
43 |
11.5 |
1.6 |
4-16 |
84 |
135 |
|
|
1" |
25 |
127 |
108 |
79.5 |
51 |
12 |
1.6 |
4-16 |
95 |
170 |
|
|
1-1/4" |
32 |
140 |
117 |
89 |
64 |
13 |
1.6 |
4-16 |
103 |
170 |
|
|
1-1/2" |
38 |
165 |
127 |
98.5 |
73 |
15 |
1.6 |
4-16 |
111 |
200 |
|
|
2" |
51 |
178 |
152 |
120.5 |
92 |
16 |
1.6 |
4-19 |
120 |
200 |
|
|
2-1/2" |
64 |
190 |
178 |
139.5 |
105 |
18 |
1.6 |
4-19 |
153 |
300 |
|
|
3" |
76 |
203 |
190 |
152.5 |
127 |
19 |
1.6 |
4-19 |
163 |
300 |
|
|
4" |
102 |
229 |
229 |
190.5 |
157 |
24 |
1.6 |
8-19 |
182 |
400 |
|
|
5" |
127 |
356 |
254 |
216 |
186 |
24 |
1.6 |
8-22 |
260 |
500 |
|
|
6" |
152 |
394 |
279 |
241.5 |
216 |
26 |
1.6 |
8-22 |
280 |
800 |
|
|
8" |
203 |
457 |
343 |
298.5 |
270 |
29 |
1.6 |
8-22 |
- |
1100 |
|
|
Class |
1/2" |
13 |
140 |
95 |
66.5 |
35 |
15 |
1.6 |
4-16 |
79 |
135 |
|
3/4" |
19 |
152 |
117 |
82.5 |
43 |
16 |
1.6 |
4-19 |
84 |
135 |
|
|
1" |
25 |
165 |
124 |
89 |
51 |
18 |
1.6 |
4-19 |
95 |
170 |
|
|
1-1/4" |
32 |
178 |
133 |
98.5 |
64 |
19 |
1.6 |
4-19 |
103 |
170 |
|
|
1-1/2" |
38 |
190 |
156 |
114.5 |
73 |
21 |
1.6 |
4-22 |
111 |
200 |
|
|
2" |
51 |
216 |
165 |
127 |
92 |
23 |
1.6 |
4-22 |
120 |
200 |
|
|
2-1/2" |
64 |
241 |
190 |
149 |
105 |
26 |
1.6 |
8-19 |
153 |
300 |
|
|
3" |
76 |
283 |
210 |
168.5 |
127 |
29 |
1.6 |
8-22 |
163 |
300 |
|
|
4" |
102 |
305 |
254 |
200 |
157 |
32 |
1.6 |
8-22 |
182 |
400 |
|
|
5" |
127 |
381 |
279 |
235 |
186 |
35 |
1.6 |
8-22 |
260 |
500 |
|
|
6" |
152 |
403 |
318 |
270 |
216 |
37 |
1.6 |
12-22 |
280 |
800 |
|
|
8" |
203 |
502 |
381 |
330 |
270 |
42 |
1.6 |
12-25 |
- |
1100 |
Q41F二片式美标法兰浮动式球阀应用案例请按以下指示进行安装:(详情或见产品说明书)

(1)取掉美标法兰球阀端两边的保护盖,在阀打开的状态下进行冲洗清洁。
(2)美标法兰球阀安装前应按规定的信号(电动或气动)进行整机测试(防止因运输产生振动影响使用性能),合格后方可上线安装(接线按电动执行机构线路图)。
(3)美标法兰球阀准备与管道连接前,须冲洗和清除干净管道中残存的杂质(这些物质可能会损坏阀座和球)。
(4)美标球阀在安装期间,请不要用阀的执行机构部分作为起重的吊装点,以避免损坏执行机构及附件。
(5)美标法兰球阀本类阀应安装在管道的水平方向或垂直方向。
(6)美标法兰球阀安装点附近的管道不可有低垂或者承受外力的现象,可以用管道支架或者支撑物来消除管线的偏离。
(7)与管道连接后,请用规定的扭矩交叉锁紧法兰连接螺栓。

Q41F二片式美标法兰浮动式球阀应用案例
1)美标球阀拿掉法兰盘端两侧的防尘盖,在美标球阀开启状态下开展冲洗清理。
2)美标球阀安装前应按信号(电或气)开展整机测试(避免因运送造成震动危害性能指标),达标后才可发布安装(布线按电动式执行机构线图)。对于控制类型美标球阀
3)美标球阀提前准备与管道联接前,须冲洗和清理干净管道中残余的残渣(这种物质可能毁坏高压闸阀和球)。
4)美标球阀在安装期内,千万不要用阀的执行机构一部分做为起重吊装的起吊点,以防止毁坏执行机构及配件。
5)本类阀-美标球阀应安装在管道的垂直方向或竖直方向。
6)安装附近位置的管道不能有垂下或是承担外力作用的情况,能用管道支撑架或是支撑物来清除管线的偏移。
7)与管道联接后,请使用所规定的扭距交叉式卡紧法兰连接地脚螺栓。

Q41F二片式美标法兰浮动式球阀应用案例操作控制操作方法:
1)操作前须确定管道和阀已经被冲洗过。
2)阀的实际操作按执行机构输入信号尺寸推动阀座转动进行:正方向转动1/4圈(90°)时,阀关断。反方向转动1/4圈(90°)时,阀打开。
3)当执行机构方位箭头标识与管线平行面时,闸阀为打开情况;箭头标识与管线竖直时,闸阀为关掉情况。
本文地址: https://www.xsyiq.com/47204.html
网站内容如侵犯了您的权益,请联系我们删除。